Каталог товаров

Ушко УСК-12-16

Артикул: 130801-00710
Нет на складе
Есть в наличии
0
1 028
Условия доставки

Доставка бесплатная* до 10000 - 500 рублей

Условия оплаты
  • 14 дней возврат/обмен
  • 2 года гарантия
Описание

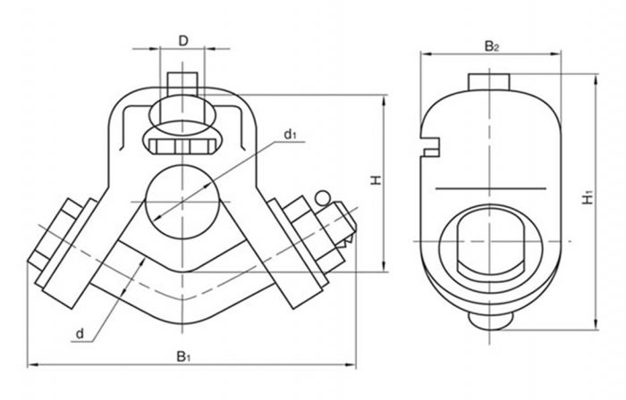
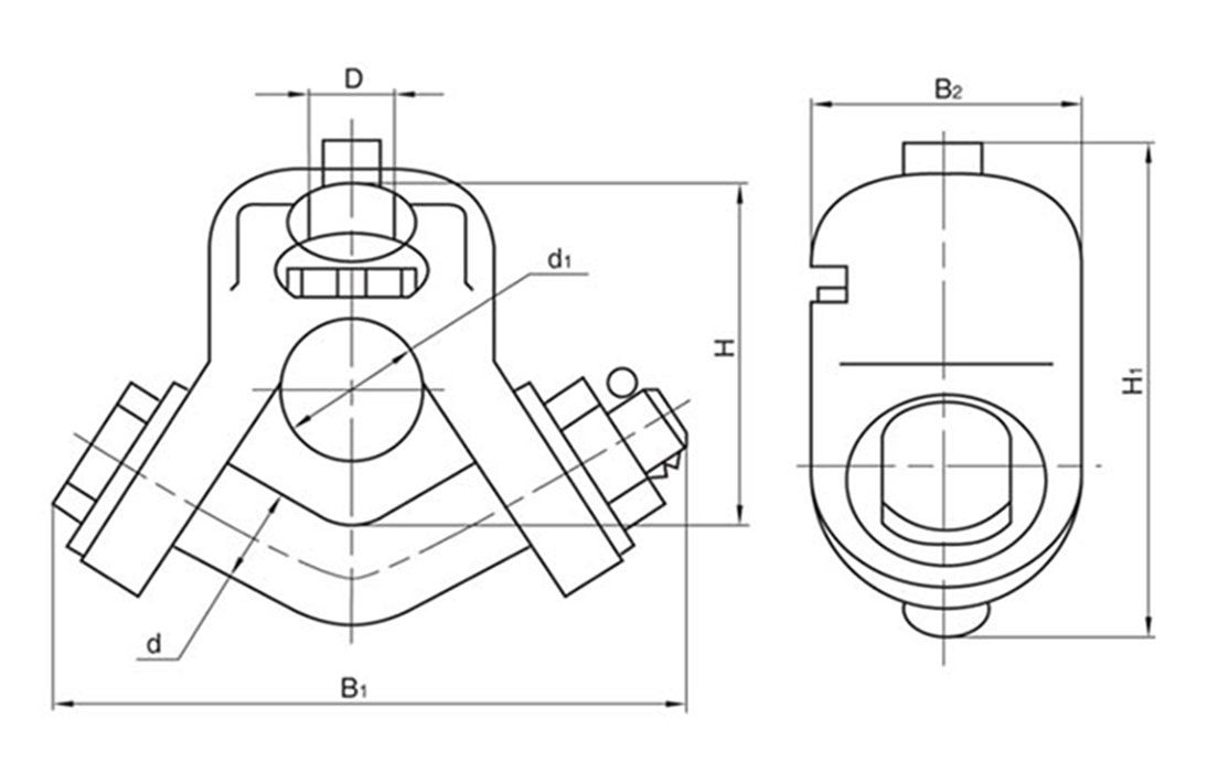
Ушко специальное укороченное с гнутым пальцем предназначено для соединения стержня подвесного изолятора или серьги с другой линейной арматурой.

Для запирания стержня изолятора или пестика серьги в гнезде ушки комплектуются W-образными замками.

Характеристики
  • Производитель:
    МЗВА
  • Тип товара:
    Ушко
  • Объём, м³:
    0,003375
  • Вес, кг:
    0,416667
  • Масса, кг:
    2,07
  • Материал:
    Оцинкованая сталь
  • H:
    78
  • D:
    19,2
  • D1:
    32
  • B1:
    131
  • H1:
    112
  • B2:
    60
Отзывы
Пока нет комментариев
Написать отзыв
ФИО*
Email
Введите комментарий*